行政执法信息公示
当前位置:
首页
>
政务公开
>
执法公示
>
市场监管局
>
事前公开
事前公开
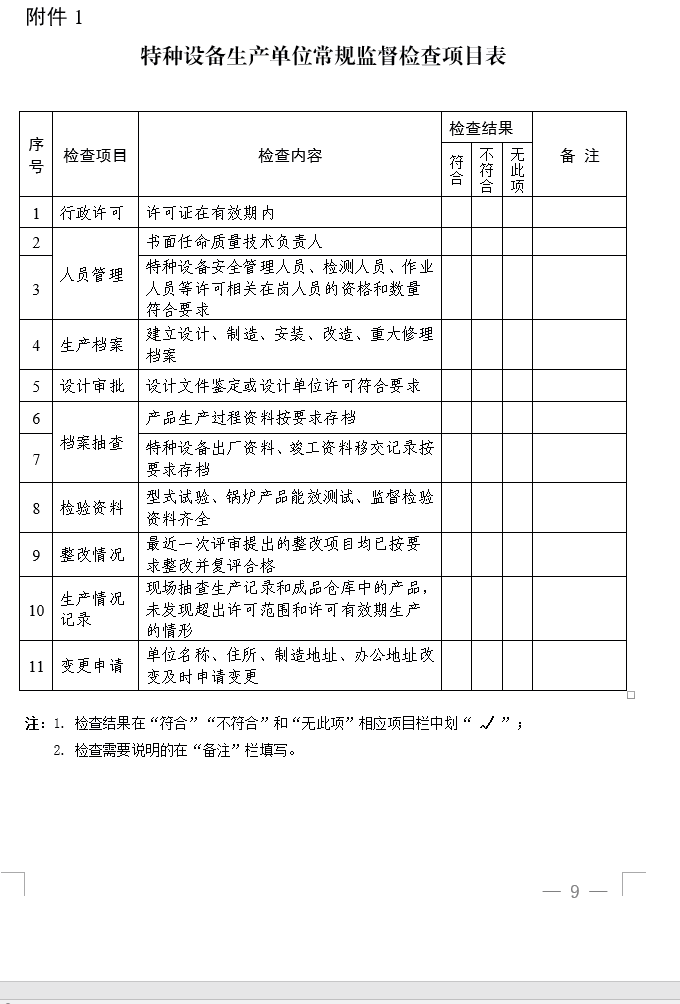
附件1 特种设备生产单位常规监督检查项目表
发布时间: 2025-06-19 09:25:53